当前位置: 首页 > 产品大全 > 螺旋行走式插秧机与泥地打桩机 两项创新农业与工程机械专利的探索

螺旋行走式插秧机与泥地打桩机 两项创新农业与工程机械专利的探索

螺旋行走式插秧机与泥地打桩机 两项创新农业与工程机械专利的探索

在现代农业与基础工程建设领域,技术创新是推动效率提升和劳动强度降低的关键。本文将探讨两项具有前瞻性的机械设计专利——螺旋行走式插秧机和泥地打桩机,分析其设计原理、应用优势及潜在影响。

一、螺旋行走式插秧机:水田作业的革命性突破

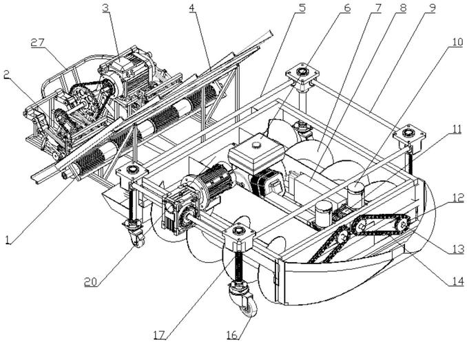
传统的轮式或履带式插秧机在深水田或泥泞田地中容易陷入、打滑,影响作业效率并可能破坏田埂。螺旋行走式插秧机专利则提供了一种巧妙的解决方案。其核心在于行走机构——采用螺旋状的叶片或钻头作为驱动轮。

  1. 设计原理:螺旋行走装置类似于大型的“阿基米德螺杆”。当它旋转时,螺旋面能够“咬住”并向后推送泥土或泥水,从而产生向前的推进力。这种设计极大地增加了接地面积和附着力,同时减少了对土壤结构的压实和破坏。
  2. 应用优势
  • 卓越的通过性:能够在深泥脚水田、沼泽状田地中稳定行走,有效防止下陷。
  • 保护田埂:行走轨迹规整,对田埂的碾压损伤小。
  • 提高效率:减少因陷车导致的停机时间,保证插秧作业的连续性和均匀性。
  • 环境友好:对土壤层搅动相对温和,有利于保持水土。
  1. 技术整合:该专利通常与精准导航系统、自动送秧和栽插机构结合,实现智能化、高效率的水稻种植作业,是智慧农业装备的重要发展方向。

二、泥地打桩机:软基处理的高效利器

在滩涂、沼泽、河堤加固、湿地建设等软土地基上进行打桩作业,一直是工程领域的难题。常规打桩机自重巨大,极易在泥地中失稳、下陷。泥地打桩机专利正是针对这一特殊工况的创新设计。

  1. 设计原理:其创新点往往集中在移动底盘作业稳定性上。一种常见的思路是采用宽大的履带式或浮筒式底盘,以极低的接地比压分散机器重量,使其能够“漂浮”在泥地上。更重要的是,它可能集成了自稳定系统,例如通过可伸缩的辅助支撑腿,在打桩作业时牢牢锚定机身,确保锤击力的垂直和有效传递。
  2. 应用优势
  • 超强地形适应性:专为承载力极低的泥沼、滩涂设计,通行与作业能力远超传统设备。
  • 作业稳定精准:独特的稳定系统保证了在晃动基底上也能进行高精度的打桩作业。
  • 高效施工:减少了搭建临时施工平台或进行地基硬化的繁琐步骤与成本,可直接进场作业。
  • 多功能性:可适配多种桩型(如木桩、混凝土管桩、钢板桩)和锤击方式,应用于生态修复、防洪工程、围堰建设等多个场景。

三、创新交汇与未来展望

螺旋行走式插秧机和泥地打桩机,虽然分属农业与工程领域,但其核心创新理念相通——即通过独特的行走和稳定机构征服高湿度、低承载力的特殊环境。它们都体现了从实际问题出发,进行跨学科(如流体力学、土壤力学、机械工程)集成创新的设计思路。

这两项技术有望进一步融合与发展:

  • 智能化与自动化:结合GPS、物联网和传感器技术,实现全自动路径规划、作业监控与故障诊断。
  • 新能源化:采用电动或混合动力,降低噪音和排放,更适合在生态敏感区域使用。
  • 平台化与模块化:其特种行走底盘可作为一个通用平台,搭载不同的作业模块(如插秧、施肥、勘测、轻型打桩等),拓展应用边界。

螺旋行走式插秧机和泥地打桩机专利代表了专用机械向极端环境挑战迈出的坚实一步。它们的出现不仅解决了具体行业痛点,也为相关领域的技术进步提供了新的灵感与路径,彰显了科技创新在提升生产力和应对复杂环境挑战中的核心价值。

如若转载,请注明出处:http://www.kdtaojinjixie.com/product/70.html

更新时间:2026-04-20 01:09:33

产品列表

PRODUCT